E Single-Spring Mechanical Seal
Replace AESSEAL (replace AESSEAL B04/B04U,BURGMANN BT-PNT,CRANE 6/106 and FLOWSERVE 160 )

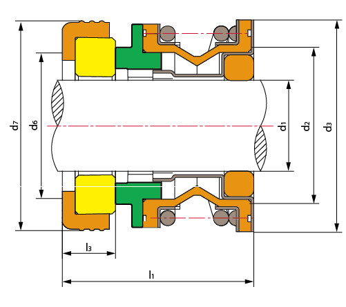
| Model | d1 (inches) | d7 | d3 | d6 | d2 | l1 | l3 |
| E-5/16" | 7.925 | 25.4 | 27 | 16 | 20.63 | 24.6 | 8 |
| E-3/8" | 9.52 | 22.225 | 23.8 | 14.3 | 17.42 | 22.22 | 6.2 |
| E-1/2" | 12.7 | 25.4 | 26.97 | 17.45 | 20.63 | 22.8 | 6.2 |
| E-5/8" | 15.875 | 30.1 | 30.94 | 20.63 | 23.8 | 26.5 | 8.7 |
| E-5/8"H | 15.875 | 31.75 | 30.94 | 20.63 | 23.8 | 30 | 10.3 |
| E-5/8"K | 15.875 | 31.75 | 30.94 | 20.63 | 23.8 | 28.5 | 10.3 |
| E-3/4"H | 19.05 | 34.925 | 34.11 | 23.8 | 26.87 | 30 | 10.3 |
| E-3/4"C | 19.05 | 34.925 | 34.11 | 23.8 | 26.87 | 28.5 | 10.3 |
| E-1" | 25.4 | 41.275 | 42.85 | 30.15 | 33.33 | 31.73 | 11.1 |
| E-11/8" | 28.575 | 44.45 | 46 | 33.5 | 36.5 | 31.75 | 11.1 |